
YS系列伺服節能注塑機
精準的鎖模系統,杰出的能效,高效的伺服驅動,都能滿足所有需求,以客戶產品為中心,為客戶提供整套技術解決方案,并為全球客戶創造更佳的投資回報和客戶體驗。
◆ 鎖模四段控制頂出,二段控制開鎖模頂出均采用線性電子尺傳感器,精密度達0.01mm;
◆ 可以準確控制鎖模和頂出,可以選擇震動頂出,停頓多次頂出或搭配電眼檢出和機鉸潤滑,采用電腦控制自動潤滑;
◆ 可用電腦設定和監控并具備有警報功能保護機械正常運行。
同步液壓精密調模機構液壓馬達驅動,中心定位齒輪調模,使調模運行為更順暢快捷。
高剛性正四方箱型模板保證模具受力均勻,注塑無毛邊延長模具壽命。
節能高響應油路設計,速度靈敏,節能率20%~50%消耗電費大幅遞減。
鎖模單元

高精密

高剛性

高響應
陽鑫天王星YS系列,秉持臺灣先進的設計理念突破傳統射出機的技術瓶頸,有效提升了成型精度,延長機器使用壽命大幅底降低了消耗!
專業化和射出解決方案,針對各種原料和工藝提供齊全的專業螺桿料筒組合,并可提供多種材質供客戶選擇,提升用戶產品品質。
射座和射膠全部采用線性導軌,高精度低摩擦系數,運行更平衡,調整靈敏。更有利于低粘度及高溫材料的注塑成型,射移支架整體鑄造,整體射臺的鋼性增強。
采用雙射移結構,前拉式射臺油缸,平行牽引,保持噴嘴與模具接觸不偏移密封佳,不易漏膠。
注塑單元

高精度

高穩定
MH9118控制系統,雙CPU獨立處理器控制,運行速度高效穩定;
互聯互通功能,可以與OPCUA、MES等管理軟件系統進行數據連接,實現智能生產;
豐富的SPC品質統計管理,有效提升用戶生產效益。
伺服動力系統構成圖
電腦控制系統

伺服液壓驅動技術

YS系列標準注塑機應用行業產品

技術參數
| 項目Project | 單位Unit | YS-60 | YS-100 | YS-130 | ||||||||
| 注射單元 Injection unit | 注射單元 INJECTION UNIT | 150 | 250 | 500 | ||||||||
| 螺桿直徑 Screw diameter | mm | Φ24 | Φ26 | Φ30 | Φ30 | Φ35 | Φ40 | Φ35 | Φ40 | Φ45 | ||
| 螺桿長徑比 Screw L/D ratio | L/D | 20 | 19 | 18 | 26 | 22 | 20 | 25 | 22 | 20 | ||
| 理論注射容積 Theoretical injection volume | cm3/sec | 55 | 65 | 86 | 106 | 144 | 188 | 173 | 226 | 286 | ||
| 注射重量 Injection weight(ps) | g | 49 | 58 | 77 | 95 | 129 | 168 | 154 | 202 | 255 | ||
| oz | 1.7 | 2.0 | 2.7 | 3.3 | 4.5 | 5.9 | 5.4 | 7.1 | 9.0 | |||
| 注射壓力 Injection pressure | kg/cm2 | 2722 | 2320 | 1742 | 2613 | 1920 | 1740 | 2331 | 1785 | 1410 | ||
| 塑化能力 Plasticizing capacity | g/s | 2 | 3 | 4 | 4 | 7 | 10 | 6 | 9 | 12 | ||
| 螺桿行程 Screw stroke | mm | 122 | 150 | 180 | ||||||||
| 螺桿轉速 Scrwe speed | rpm | 240 | 267 | 225 | ||||||||
| 注射速度 Injection speed | mm/s | 114 | 101 | 94 | ||||||||
| 注射速率 Injection rate | cm3/sec | 51 | 60 | 80 | 71 | 97 | 127 | 90 | 118 | 149 | ||
| 鎖模單元 Clamping unit | 鎖模力 Clamping force | KN | 600 | 1000 | 1300 | |||||||
| 開模行程 Mold opening stroke | mm | 300 | 360 | 410 | ||||||||
| 容模量 Mold thickness range | mm | 120-350 | 100-430 | 120-490 | ||||||||
| 最小模具尺寸 Mold heght min. | mm | 205*205 | 234*234 | 267*267 | ||||||||
| 拉桿內距 Tie bar distance | mm | 310*310 | 360*360 | 410*410 | ||||||||
| 頂出行程 Ejector stroke | mm | 60 | 100 | 100 | ||||||||
| 頂出力 Ejector force | KN | 27 | 27 | 27 | ||||||||
| 其他 Other | 油泵馬達 Pump motor power | Kw | 9.4 | 12.5 | 15.5 | |||||||
| 溫度控制器 Temperature control range | (range)set | (0-400℃)*4 | (0-400℃)*4 | (0-400℃)*4 | ||||||||
| 電熱功率 Heater power | kw | 3.2 | 6 18 | 7 23 | ||||||||
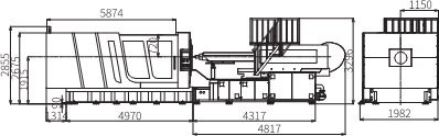
| 外形尺寸 Machine dimension | mm | 4100*1020*1800 | 4400*1035*1880 | 4917*1139*2026 | ||||||||
| 油箱容量 Oil tank | L | 130 | 160 | 160 | ||||||||
| 機器重量 Machine weight | ton | 2.5 | 3.5 | 4.5 | ||||||||
| 最大系統壓力 Max. system pressure | kg/cm2 | 140 | 140 | 140 | ||||||||
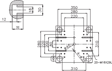
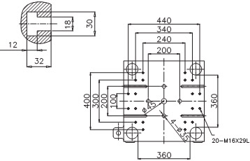
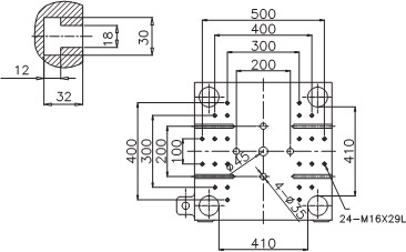
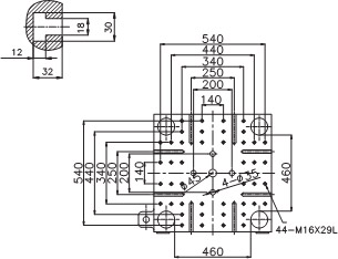
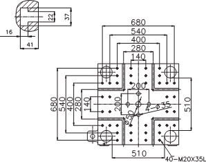
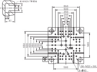
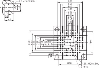
| 模版正面尺寸 Platen dimensions | ![]() | ![]() | ![]() | |||||||||
| 模版側面尺寸 Platen dimensions | ![]() | ![]() | ![]() | |||||||||
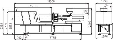
| 外形尺寸 Machine dimensions | ![]() | ![]() | ![]() | |||||||||
技術參數
| 項目Project | 單位Unit | YS-160 | YS-200 | YS-260 | ||||||||
| 注射單元 Injection unit | 注射單元 INJECTION UNIT | 600 | 800 | 1100 | ||||||||
| 螺桿直徑 Screw diameter | mm | Φ40 | Φ45 | Φ50 | Φ40 | Φ50 | Φ55 | Φ50 | Φ55 | Φ60 | ||
| 螺桿長徑比 Screw L/D ratio | L/D | 24 | 21 | 19 | 23 | 21 | 19 | 24 | 22 | 20 | ||
| 理論注射容積 Theoretical injection volume | cm3/sec | 274 | 347 | 428 | 358 | 442 | 534 | 471 | 570 | 678 | ||
| 注射重量 Injection weight(ps) | g | 244 | 309 | 382 | 319 | 394 | 477 | 420 | 509 | 605 | ||
| oz | 8.6 | 10.9 | 13.5 | 11.3 | 13.9 | 16.8 | 14.8 | 17.9 | 21.4 | |||
| 注射壓力 Injection pressure | kg/cm2 | 2205 | 1742 | 1411 | 2333 | 1890 | 1562 | 2394 | 1979 | 1663 | ||
| 塑化能力 Plasticizing capacity | g/s | 7 | 10 | 14 | 10 | 14 | 18 | 14 | 18 | 24 | ||
| 螺桿行程 Screw stroke | mm | 218 | 225 | 240 | ||||||||
| 螺桿轉速 Scrwe speed | rpm | 189 | 180 | 180 | ||||||||
| 注射速度 Injection speed | mm/s | 96 | 91 | 89 | ||||||||
| 注射速率 Injection rate | cm3/sec | 120 | 152 | 188 | 144 | 178 | 215 | 175 | 212 | 253 | ||
| 鎖模單元 Clamping unit | 鎖模力 Clamping force | KN | 1600 | 2000 | 2600 | |||||||
| 開模行程 Mold opening stroke | mm | 450 | 510 | 540 | ||||||||
| 容模量 Mold thickness range | mm | 160-550 | 160-610 | 160-670 | ||||||||
| 最小模具尺寸 Mold heght min. | mm | 299*299 | 332*332 | 380*380 | ||||||||
| 拉桿內距 Tie bar distance | mm | 460*460 | 510*510 | 580*580 | ||||||||
| 頂出行程 Ejector stroke | mm | 110 | 130 | 150 | ||||||||
| 頂出力 Ejector force | KN | 40 | 40 | 54 | ||||||||
| 其他 Other | 油泵馬達 Pump motor power | Kw | 18.7 | 25.8 | 28.8 | |||||||
| 溫度控制器 Temperature control range | (range)set | (0-400℃)*4 | (0-400℃)*4 | (0-400℃)*4 | ||||||||
| 電熱功率 Heater power | kw | 8.42 | 11.75 | 15 | ||||||||
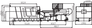
| 外形尺寸 Machine dimension | mm | 5608*1047*2045 | 5818*1143*2180 | 6766*1145*2215 | ||||||||
| 油箱容量 Oil tank | L | 200 | 320 | 400 | ||||||||
| 機器重量 Machine weight | ton | 5.5 | 7.5 | 11 | ||||||||
| 最大系統壓力 Max. system pressure | kg/cm2 | 140 | 140 | 140 | ||||||||
| 模版正面尺寸 Platen dimensions | ![]() | ![]() | ![]() | |||||||||
| 模版側面尺寸 Platen dimensions | ![]() | ![]() | ![]() | |||||||||
| 外形尺寸 Machine dimensions | ![]() | ![]() | ![]() | |||||||||
技術參數
| 項目Project | 單位Unit | YS-320 | YS-380 | YS-470 | ||||||||
| 注射單元 Injection unit | 注射單元 INJECTION UNIT | 1700 | 2200 | 3000 | ||||||||
| 螺桿直徑 Screw diameter | mm | Φ60 | Φ65 | Φ70 | Φ65 | Φ70 | Φ75 | Φ75 | Φ80 | Φ85 | ||
| 螺桿長徑比 Screw L/D ratio | L/D | 23 | 21 | 19 | 23 | 22 | 20 | 22 | 21 | 19 | ||
| 理論注射容積 Theoretical injection volume | cm3/sec | 791 | 929 | 1077 | 1015 | 1177 | 1351 | 1501 | 1708 | 1928 | ||
| 注射重量 Injection weight(ps) | g | 706 | 829 | 961 | 906 | 1050 | 1206 | 1340 | 1525 | 1721 | ||
| oz | 24.9 | 29.3 | 33.9 | 32.0 | 37.1 | 42.5 | 47.3 | 53.8 | 60.7 | |||
| 注射壓力 Injection pressure | kg/cm2 | 2191 | 1867 | 1610 | 2195 | 1893 | 1649 | 2050 | 1801 | 1596 | ||
| 塑化能力 Plasticizing capacity | g/s | 27 | 34 | 43 | 27 | 33 | 41 | 39 | 47 | 56 | ||
| 螺桿行程 Screw stroke | mm | 280 | 306 | 340 | ||||||||
| 螺桿轉速 Scrwe speed | rpm | 205 | 106 | 150 | ||||||||
| 注射速度 Injection speed | mm/s | 85 | 92 | 93 | ||||||||
| 注射速率 Injection rate | cm3/sec | 240 | 281 | 326 | 306 | 355 | 408 | 410 | 466 | 526 | ||
| 鎖模單元 Clamping unit | 鎖模力 Clamping force | KN | 3200 | 3800 | 4700 | |||||||
| 開模行程 Mold opening stroke | mm | 590 | 645 | 730 | ||||||||
| 容模量 Mold thickness range | mm | 200-650 | 190-790 | 250-800 | ||||||||
| 最小模具尺寸 Mold heght min. | mm | 397*397 | 470*440 | 530*510 | ||||||||
| 拉桿內距 Tie bar distance | mm | 660*660 | 720*680 | 820*780 | ||||||||
| 頂出行程 Ejector stroke | mm | 185 | 200 | 200 | ||||||||
| 頂出力 Ejector force | KN | 79 | 79 | 99 | ||||||||
| 其他 Other | 油泵馬達 Pump motor power | Kw | 37 | 47.2 | 28.8+28.8 | |||||||
| 溫度控制器 Temperature control range | (range)set | (0-400℃)*4 | (0-400℃)*4 | (0-400℃)*4 | ||||||||
| 電熱功率 Heater power | kw | 15 | 21 | 27.22 | ||||||||
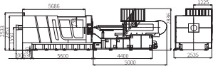
| 外形尺寸 Machine dimension | mm | 6740*1752*1604 | 8198*1752*2295 | 8300*1976*2405 | ||||||||
| 油箱容量 Oil tank | L | 450 | 620 | 940 | ||||||||
| 機器重量 Machine weight | ton | 12 | 14 | 18.5 | ||||||||
| 最大系統壓力 Max. system pressure | kg/cm2 | 140 | 140 | 140 | ||||||||
| 模版正面尺寸 Platen dimensions | ![]() | ![]() | ![]() | |||||||||
| 模版側面尺寸 Platen dimensions | ![]() | ![]() | ![]() | |||||||||
| 外形尺寸 Machine dimensions | ![]() | ![]() | ![]() | |||||||||
技術參數
| 項目Project | 單位Unit | YS-550 | YS-650 | YS-750 | |||||||||||
| 注射單元 Injection unit | 注射單元 INJECTION UNIT | 5100 | 5900 | 7400 | |||||||||||
| 螺桿直徑 Screw diameter | mm | Φ80 | Φ85 | Φ90 | Φ95 | Φ85 | Φ90 | Φ95 | Φ100 | Φ90 | Φ95 | Φ100 | Φ110 | ||
| 螺桿長徑比 Screw L/D ratio | L/D | 24 | 23 | 22 | 21 | 23 | 22 | 21 | 20 | 22 | 21 | 20 | 18 | ||
| 理論注射容積 Theoretical injection volume | cm3/sec | 2165 | 2444 | 2741 | 3053 | 2552 | 2861 | 3188 | 3533 | 2988 | 3330 | 3690 | 4464 | ||
| 注射重量 Injection weight(ps) | g | 1933 | 2182 | 2446 | 2725 | 2278 | 2554 | 2845 | 3153 | 2667 | 2972 | 3293 | 3984 | ||
| oz | 68.2 | 77.0 | 86.3 | 96.1 | 80.3 | 90.1 | 100.4 | 111.2 | 94.1 | 104.8 | 116.2 | 140.5 | |||
| 注射壓力 Injection pressure | kg/cm2 | 2380 | 2108 | 1880 | 1688 | 2329 | 2078 | 1865 | 1683 | 2498 | 2242 | 2023 | 1672 | ||
| 塑化能力 Plasticizing capacity | g/s | 47 | 57 | 68 | 79 | 60 | 71 | 84 | 98 | 76 | 89 | 104 | 139 | ||
| 螺桿行程 Screw stroke | mm | 431 | 450 | 470 | |||||||||||
| 螺桿轉速 Scrwe speed | rpm | 152 | 160 | 170.8 | |||||||||||
| 注射速度 Injection speed | mm/s | 90 | 86 | 76 | |||||||||||
| 注射速率 Injection rate | cm3/sec | 452 | 511 | 573 | 638 | 487 | 545 | 608 | 673 | 484 | 540 | 598 | 724 | ||
| 鎖模單元 Clamping unit | 鎖模力 Clamping force | KN | 5500 | 6500 | 7500 | ||||||||||
| 開模行程 Mold opening stroke | mm | 800 | 900 | 1000 | |||||||||||
| 容模量 Mold thickness range | mm | 300-900 | 350-1100 | 400-1100 | |||||||||||
| 最小模具尺寸 Mold heght min. | mm | 525*525 | 560*560 | 626*626 | |||||||||||
| 拉桿內距 Tie bar distance | mm | 860*860 | 910*910 | 980*980 | |||||||||||
| 頂出行程 Ejector stroke | mm | 220 | 220 | 240 | |||||||||||
| 頂出力 Ejector force | KN | 161 | 226 | 209 | |||||||||||
| 其他 Other | 油泵馬達 Pump motor power | Kw | 28.8+37 | 28.8+37 | 37+37 | ||||||||||
| 溫度控制器 Temperature control range | (range)set | (0-400℃)*4 | (0-400℃)*4 | (0-400℃)*4 | |||||||||||
| 電熱功率 Heater power | kw | 3 15 | 34.25 | 40.73 | |||||||||||
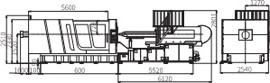
| 外形尺寸 Machine dimension | mm | 9809*2033*2746 | 10189*2067*2681 | 11101*1982*3296 | |||||||||||
| 油箱容量 Oil tank | L | 1000 | 1200 | 1400 | |||||||||||
| 機器重量 Machine weight | ton | 24 | 29 | 40 | |||||||||||
| 最大系統壓力 Max. system pressure | kg/cm2 | 170 | 170 | 170 | |||||||||||
| 模版正面尺寸 Platen dimensions | ![]() | ![]() | ![]() | ||||||||||||
| 模版側面尺寸 Platen dimensions | ![]() | ![]() | ![]() | ||||||||||||
| 外形尺寸 Machine dimensions | ![]() | ![]() | ![]() | ||||||||||||
技術參數
| 項目Project | 單位Unit | YS-850 | YS-1000 | YS-1250 | YS-1480 | ||||||||||||||
| 注射單元 Injection unit | 注射單元 INJECTION UNIT | 9800 | 11000 | 11000 | 25000 | ||||||||||||||
| 螺桿直徑 Screw diameter | mm | Φ95 | Φ100 | Φ110 | Φ120 | Φ100 | Φ110 | Φ120 | Φ130 | Φ100 | Φ120 | Φ130 | Φ140 | Φ130 | Φ140 | Φ150 | Φ160 | ||
| 螺桿長徑比 Screw L/D ratio | L/D | 23 | 22 | 20 | 18 | 23 | 21 | 19 | 18 | 21 | 19 | 18 | 17 | 23 | 21 | 20 | 19 | ||
| 理論注射容積 Theoretical injection volume | cm3/sec | 3684 | 4082 | 4939 | 5878 | 4318 | 5224 | 6217 | 7297 | 5224 | 6217 | 7297 | 8462 | 10746 | 12463 | 14307 | 16278 | ||
| 注射重量 Injection weight(ps) | g | 3288 | 3643 | 4408 | 5246 | 3853 | 4663 | 5549 | 6512 | 4663 | 5549 | 6512 | 7553 | 9591 | 11123 | 12769 | 14528 | ||
| oz | 116.0 | 128.5 | 155.5 | 185.1 | 135.9 | 164.5 | 195.7 | 229.7 | 164.5 | 195.7 | 229.7 | 266.4 | 338.3 | 392.3 | 450.4 | 512.4 | |||
| 注射壓力 Injection pressure | kg/cm2 | 2670 | 2410 | 1992 | 1673 | 2570 | 2124 | 1785 | 1521 | 2124 | 1785 | 1521 | 1311 | 2390 | 2061 | 1795 | 1578 | ||
| 塑化能力 Plasticizing capacity | g/s | 97 | 113 | 151 | 196 | 110 | 146 | 190 | 241 | 155 | 202 | 256 | 320 | 189 | 236 | 290 | 352 | ||
| 螺桿行程 Screw stroke | mm | 520 | 550 | 550 | 810 | ||||||||||||||
| 螺桿轉速 Scrwe speed | rpm | 186 | 180 | 191 | 141 | ||||||||||||||
| 注射速度 Injection speed | mm/s | 86 | 88 | 94 | 86 | ||||||||||||||
| 注射速率 Injection rate | cm3/sec | 611 | 677 | 724 | 975 | 694 | 840 | 1000 | 1174 | 894 | 1063 | 1248 | 1448 | 1138 | 1320 | 1515 | 1724 | ||
| 鎖模單元 Clamping unit | 鎖模力 Clamping force | KN | 8500 | 10000 | 12500 | 14200 | |||||||||||||
| 開模行程 Mold opening stroke | mm | 1000 | 1100 | 1275 | 1450 | ||||||||||||||
| 容模量 Mold thickness range | mm | 400-1200 | 400-1300 | 450-1400 | 500-1500 | ||||||||||||||
| 最小模具尺寸 Mold heght min. | mm | 625*625 | 690*690 | 790*790 | 845*845 | ||||||||||||||
| 拉桿內距 Tie bar distance | mm | 1060*1060 | 1160*1160 | 1260*1260 | 1320*1320 | ||||||||||||||
| 頂出行程 Ejector stroke | mm | 240 | 300 | 320 | 340 | ||||||||||||||
| 頂出力 Ejector force | KN | 209 | 262 | 262 | 300 | ||||||||||||||
| 其他 Other | 油泵馬達 Pump motor power | Kw | 37+28.8+28.8 | 37+37+28.8 | 37+37+37 | 42+42+31.4 | |||||||||||||
| 溫度控制器 Temperature control range | (range)set | (0-400℃)*4 | (0-400℃)*4 | (0-400℃)*4 | (0-400℃)*4 | ||||||||||||||
| 電熱功率 Heater power | kw | 46.48 | 51.2 | 62.78 | 76.13 | ||||||||||||||
| 外形尺寸 Machine dimension | mm | 11251*1982*3396 | 11936*2535*2826 | 12820*2535*2801 | 14420*2940*3161 | ||||||||||||||
| 油箱容量 Oil tank | L | 1600 | 1700 | 1700 | 2500 | ||||||||||||||
| 機器重量 Machine weight | ton | 42 | 50.8 | 74 | 84 | ||||||||||||||
| 最大系統壓力 Max. system pressure | kg/cm2 | 170 | 170 | 170 | 170 | ||||||||||||||
| 模版正面尺寸 Platen dimensions | ![]() | ![]() | ![]() | ![]() | |||||||||||||||
| 模版側面尺寸 Platen dimensions | ![]() | ![]() | ![]() | ![]() | |||||||||||||||
| 外形尺寸 Machine dimensions | ![]() | ![]() | ![]() | ![]() | |||||||||||||||
YS系列標準機器配置
| YS系列標準機器配置 | |
| 配置 | |
| 鎖模部分 | |
| 精密電子尺控制鎖模/頂出行程/射膠行程 | ● |
| 鎖模大板及射膠大板及機鉸采用QT500-7A球墨鑄鐵 | ● |
| 預留機械手安裝螺紋孔 | ● |
| 液壓驅動齒輪調模裝置 | ● |
| 液壓、電氣雙重保護 | ● |
| 移動模板耐磨錳鋼帶軌道 | ● |
| 自動集中容積式潤滑系統 | ● |
| 多種頂出功能可選 | ● |
| 低壓模具保護功能 | ● |
| T型槽、碼模孔復合模板 | ● |
| 自動調模功能 | ● |
| 頂出強制復位功能 | ● |
| 機門邊加裝防夾傷緩沖條設計 | ● |
| 鎖模鈑金四周全封閉防護(高度2米內加活動蓋板) | ● |
| 免調節式機械安全鎖撞桿(60T~450可選) | ○ |
| 特殊模具安裝孔 | ○ |
| 吊模架(200T以下) | ○ |
| 模具隔熱板 | ○ |
| 加大頂出力、加大頂出行程 | ○ |
| 加大容模量 | ○ |
| 磁力模板 | ○ |
| 頂退確認功能 | ○ |
| 更改固定板模具定位環 | ○ |
| 機架與活動門間防護擋板 | ○ |
| 射臺部分 | |
| 雙缸平衡注射系統 | ● |
| 低速大扭矩液壓馬達 | ● |
| 氮化合金鋼螺桿料筒 | ● |
| 下料口冷卻裝置 | ● |
| 射嘴及料管多段PID溫度控制 | ● |
| 雙射移油缸 | ● |
| 半封閉式保溫罩、射嘴防護罩 | ● |
| 螺桿防冷啟動功能 | ● |
| 自動清料功能 | ● |
| 熔膠前、后松退可選 | ● |
| 移動或滾動料斗裝置(60-450T) | ● |
| 螺桿轉速檢測 | ● |
| 陶瓷發熱圈 | ○ |
| 高速低扭矩液壓馬達 | ○ |
| 專用料管組(電鍍、雙合金、PC、PMMA、PBT、PA等) | ○ |
| 料筒風冷裝置 | ○ |
| 彈簧自鎖射嘴 | ○ |
| 加大注射行程或加大(減少)一級射膠機構 | ○ |
| 旋轉射臺 | ○ |
| 紅外發熱圈 | ○ |
| 射移電子尺 | ○ |
| 射臺手動潤滑泵集中加潤滑脂(550T及以上機型) | ● |
| 射臺手動潤滑泵集中加潤滑脂(550T以下機型) | ○ |
| 不銹鋼上料斗 | ○ |
| 料斗滑軌(450T及以上機型) | ○ |
| 料斗滑軌(450T以下機型) | ● |
| 下料口防護裝置 | ○ |
| 液壓系統 | |
| 第三代伺服泵系統 | ● |
| 高精密實時旁路濾油器裝置 | ○ |
| 低噪音節能型液壓回路 | ● |
| 進口名牌液壓控制閥 | ● |
| 進口名牌液壓密封件 | ● |
| 差動快速合模油路(200T以上機型) | ● |
| 內置式冷卻器(450T及以下機型) | ● |
| 開模剎車油路設計(開模背壓) | ● |
| 油溫自動檢測及高低溫報警 | ● |
| 外露高壓油管配防爆鏈 | ● |
| 全機標配一組帶閥抽芯(550T以上兩組) | ● |
| 多組運水裝置并配快速插頭 | ● |
| 熔膠比例背壓控制(550T及以上機型標配) | ○ |
| 加大多級油泵、電機 | ○ |
| 加大多級熔膠馬達 | ○ |
| 同步頂出、抽芯、熔膠系統 | ○ |
| 高響應蓄能伺服注射系統 | ○ |
| 多組抽芯裝置 | ○ |
| 加裝液壓旋轉脫模裝置 | ○ |
| 玻璃管冷卻流量計 | ○ |
| 增加液壓油位置傳感器 | ○ |
| 帶位置反饋液壓安全閥 | ○ |
| 液壓安全凸輪閥 | ● |
| 電氣部分 | |
| 料筒加熱強制保護 | ● |
| 輸入、輸出檢視畫面 | ● |
| 自動保溫及自動加熱設定功能 | ● |
| 射膠轉保壓方式:時間/位置/時間+位置 | ● |
| 10寸TFT真彩色LCD顯示屏(550T及以上機型) | ● |
| 8寸TFT真彩色LCD顯示屏(550T以下機型) | ● |
| 240組大容量工藝參數存儲空間,USB存儲接口 | ● |
| 多種操作語言 | ● |
| 可設置多級密碼保護,操作面板帶鎖按鍵鑰匙 | ● |
| 前后安全門急停開關保護 | ● |
| 質量數據過程控制界面 | ● |
| 生產統計過程控制(SPC)實時列表界面 | ● |
| 預留吹風、抽芯回保護等多種接口(有軟件,無硬件) | ● |
| 二組AC380V/16A三相插座,一組AC220V/10A多功能二三插插座 | ● |
| 熱流道模具針閥控制 | ○ |
| 國內機械手電氣接口 | ○ |
| 歐標67機械手電氣接口 | ○ |
| 歐標12機械手電氣接口 | ○ |
| 電動安全門(550T及以上機型) | ● |
| 雙色報警燈 | ● |
| 熱流道接口 | ○ |
| 氣動順序閥 | ○ |
| 電動旋轉脫模接口 | ○ |
| 更改電源電壓 | ○ |
| 一組吹氣帶閥裝置 | ○ |
| 多組吹氣帶閥裝置 | ○ |
| 氣輔注射裝置 | ○ |
| 中央(聯網)監控系統 | ○ |
| 前、后安全門內光柵保護(550T及以上機型) | ○ |
| 電腦整機能耗顯示 | ○ |
| 增加電度表 | ○ |
| 電熱圈使用固態繼電器 | ● |
| 歐洲品牌電腦系統 | ○ |
| 射嘴直接溫度控制 | ○ |
| 后安全門操作(需客戶承諾安全責任) | ○ |
| 前安全門關門到位上屏確認 | ○ |
| 總電源空氣開關 | ● |
| 電熱總控制配交流接觸器 | ● |
| 隔離變壓器 | ○ |
| 其他部分 | |
| 說明書 | ● |
| 避震腳 | ● |
| 工具箱及工具一套 | ● |
| 碼模夾 | ● |
| 射嘴專用扳手 | ● |
| 液壓油 | ○ |
| 干燥機 | ○ |
| 自動上料機 | ○ |
| 備注:●表示該功能標配;○表示該功能選配; | |
可用于各種熱固性(電木)產品生產:膠木、餐具、手輪、手柄、電木把手、刀具、拉手、膠木、鍋柄、刀柄、電木旋轉、開關、烤爐配件、接線端子、端鈕、電表配件、電表殼等電木制品。
臥式電木專用注塑機
產品運用:
蘋果框、芒果框、橘子框、葡萄框…等各類周轉框。
1、伺服油泵動力系統全部加大;
2、模板、哥林柱等關鍵部位零部件采用硬化分板全新設計;
3、采用高速機專用電腦控制器能快速穩定運行,比市場同類型普通果框機快10%-20%;
4、潤滑系統采用點對點定量潤滑系統,保證每一滴油潤滑到位;
5、采用果框機專用合金螺桿,延長螺桿使用壽命。
果框專用注塑機

產品特性:
技術參數
| 項目 | 單位 | YS-130B | YS-160B | YS-200B | YS-300B | |||||
| 射出單元 | 螺桿直徑 | mm | Φ36 | Φ40 | Φ40 | Φ44 | Φ44 | Φ50 | Φ68 | Φ75 |
| 理論射出容量 | cm3 | 163 | 226 | 274 | 331 | 342 | 442 | 1111 | 1351 | |
| 射出量 | gram | 180 | 250 | 303 | 366 | 378 | 488 | 1227 | 1492 | |
| ozs | 4.3 | 5.9 | 8.6 | 10.4 | 10.8 | 13.9 | 35.0 | 42.5 | ||
| 射膠壓力 | kg/cm2 | 2035 | 1470 | 2205 | 1822 | 2440 | 1890 | 2006 | 1648 | |
| 射出速度 | mm/s | 88 | 84 | 90 | 80 | |||||
| 射出率 | cm2/sec | 92 | 127 | 106 | 128 | 145 | 188 | 291 | 354 | |
| 夾模單元 | 閉模力 | metrictons | 128 | 160 | 200 | 300 | ||||
| 夾模行程 | mm | 410 | 450 | 510 | 590 | |||||
| 模厚 | mm | 120-490 | 160-550 | 160-610 | 200-650 | |||||
| 建議最小模具尺寸 | mm | 267*367 | 299*299 | 332*332 | 397*397 | |||||
| 大柱內距 | mm | 410*410 | 460*460 | 510*510 | 660*660 | |||||
| 模盤尺寸 | mm | 600*600 | 670*670 | 745*745 | 894*894 | |||||
| 托模行程 | mm | 100 | 110 | 130 | 185 | |||||
| 電氣單元 | 電機馬達 | Kw | 14.1 | 16.5 | 21.2 | 31.4 | ||||
| 溫度控制器 | (range)set | (0-400℃)*4 | (0-400℃)*4 | (0-400℃)*4 | (0-400℃)*4 | |||||
| 電熱容量 | Kw | 8.88 | 11.45 | 14.4 | 19.75 | |||||
| 其他 | 機械尺寸 | mm | 5000*1050*1790 | 5555*1100*1790 | 6080*1250*1860 | 7340*1430*2100 | ||||
| 油箱容量 | liter | 210 | 250 | 340 | 450 | |||||
| 機械重量 | metrictons | 4.5 | 5.5 | 7.5 | 12 | |||||
| 最高系統壓力 | kg/cm2 | 140 | 140 | 140 | 140 | |||||
技術參數
| 項目 | 單位 | YS-320K | YS-380K | YS-470K | YS-550K | |
| 射出單元 | 螺桿直徑 | mm | Φ65 | Φ75 | Φ85 | Φ95 |
| 理論射出容量 | cm3 | 929 | 1351 | 1928 | 3053 | |
| 射出量 | gram | 829 | 1206 | 1721 | 2725 | |
| ozs | 29.2 | 42.5 | 60.7 | 96.1 | ||
| 射膠壓力 | kg/cm2 | 1417 | 1648 | 1770 | 1535 | |
| 射出速度 | mm/s | 106 | 103 | 105 | 107 | |
| 射出率 | cm2/sec | 350 | 453 | 593 | 760 | |
| 夾模單元 | 閉模力 | metrictons | 300 | 380 | 470 | 550 |
| 夾模行程 | mm | 590 | 645 | 730 | 800 | |
| 模厚 | mm | 200-650 | 190-790 | 250-800 | 350-900 | |
| 建議最小模具尺寸 | mm | 397*397 | 425*415 | 475*475 | 525*525 | |
| 大柱內距 | mm | 660*660 | 710*690 | 760*760 | 860*860 | |
| 模盤尺寸 | mm | 894*894 | 1000*980 | 1120*1120 | 1250*1250 | |
| 托模行程 | mm | 185 | 200 | 200 | 220 | |
| 電氣單元 | 電機馬達 | Kw | 31.4 | 31.4 | 42.4 | 30+30 |
| 溫度控制器 | (range)set | (0-400℃)*4 | (0-400℃)*4 | (0-400℃)*4 | (0-400℃)*4 | |
| 電熱容量 | Kw | 19.75 | 23.05 | 23.05 | 27.7 | |
| 其他 | 機械尺寸 | mm | 7340*1430*2100 | 8020*1500*2175 | 8340*1920*2210 | 9350*1950*2220 |
| 油箱容量 | liter | 450 | 620 | 780 | 1000 | |
| 機械重量 | metrictons | 12 | 14 | 18.5 | 24 | |
| 最高系統壓力 | kg/cm2 | 140 | 140 | 140 | 140 | |

>
















































